产品特性
* 密封件材质保证了气缸在各种条件下使用的可靠性能。
* 三导向槽结构,导向精度高。
* 工作方式有单边与双边(90°)。
* 旋转方式有左旋和右旋:90°和180°。
* 活塞杆材质为特殊合金钢,经热处理后,能保证更长的使用寿命。
* 三导向槽结构,导向精度高。
* 工作方式有单边与双边(90°)。
* 旋转方式有左旋和右旋:90°和180°。
* 活塞杆材质为特殊合金钢,经热处理后,能保证更长的使用寿命。
每一天都会带来改变,每一天品质都会实现


| 缸径mm | 25 | 32 | 40 | 50 | 63 |
| 使用流体 | 空气 | ||||
| 动作方式 | 复动型 | ||||
| 使用压力范围 | 0.15~1.0MPa(23~148Psi) | ||||
| 最高使用压力 | 1.5MPa(215Psi) | ||||
| 环境和流体温度 | -20~80℃ | ||||
| 使用速度范围 | 30~300mm/s | ||||
| 行程公差范围 | 0~1.0 | ||||
| 配管通口 | M5x0.8 | PT1/8 | |||
| 内径mm | 行程类别 | 90° | 180° | 总行程(90°/180°) |
| 25,32 | 旋转行程 | 14 | 20 | 26 |
| 加紧行程 | 12 | 6 | ||
| 40 | 旋转行程 | 15 | 21 | 27 |
| 加紧行程 | 12 | 6 | ||
| 50,63 | 旋转行程 | 15 | 21 | 29 |
| 加紧行程 | 14 | 8 |
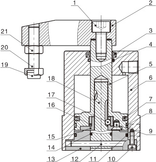
| 序号 | 名称 | 材质 | 序号 | 名称 | 材质 |
| 1 | 内六角螺丝 | 中碳钢 | 12 | 固定销 | S45C |
| 2 | 要比 | 快削钢 | 13 | 后盖 | 铝合金 |
| 3 | 异型O令 | NBR | 14 | O型环 | NBR |
| 4 | O型环 | NBR | 15 | 压块 | SCr440 |
| 5 | 活塞杆 | S45C镀硬铬研磨棒 | 16 | 轴套 | SCr440 |
| 6 | 本体 | 铝合金 | 17 | 钢珠 | 碳钢 |
| 7 | 活塞O令 | NBR | 18 | 旋转轴 | SCr440 |
| 8 | 耐磨环 | PTFE+石墨 | 19 | 防撞垫 | PTFE |
| 9 | 内六角螺丝 | 中碳钢 | 20 | 螺丝 | 中碳钢 |
| 10 | 内六角螺丝 | 中碳钢 | 21 | 六角螺帽 | 中碳钢 |
| 11 | O型环 | NBR |
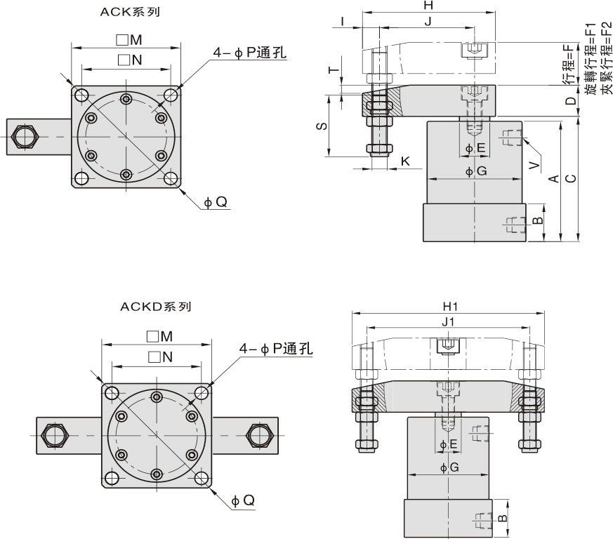
| 缸径 | A | B | C | D | E | G | H | H1 | I | J | J1 | K | M | N | P | Q |
F (90/180°) |
F1 (90°) |
F2 (90°) |
F1 (180°) |
F2 (180°) |
S | V |
| 25 | 65 | 23 | 69 | 16 | 14 | 35 | 48 | 76 | 8 | 30 | 60 | M6x1.0 | 40 | 30 | 4.5 | 52 | 26 | 14 | 12 | 20 | 6 | 29.5 | M5x0.08 |
| 32 | 73 | 23 | 76 | 19 | 16 | 50 | 70 | 118 | 9 | 50 | 100 | M8x1.25 | 54 | 44 | 6.5 | 74 | 26 | 14 | 12 | 20 | 6 | 37.5 | PT1/8 |
| 40 | 74 | 26 | 78 | 19 | 16 | 55 | 70 | 118 | 9 | 50 | 100 | M8x1.25 | 58 | 48 | 6.5 | 79 | 27 | 15 | 12 | 21 | 6 | 37.5 | PT1/8 |
| 50 | 80 | 26 | 84 | 25.4 | 20 | 60 | 93 | 160 | 10 | 70 | 140 | M10x1.5 | 68 | 55 | 8.5 | 91 | 29 | 15 | 14 | 21 | 8 | 45 | PT1/8 |
| 63 | 86 | 30 | 90 | 25.4 | 20 | 70 | 93 | 160 | 10 | 70 | 140 | M10x1.5 | 82 | 64 | 8.5 | 108 | 29 | 15 | 14 | 21 | 8 | 45 | PT1/8 |





